Electric Field Inside A Resistor

Electric Charge And Electric Field
Electrical Properties Of Thin Film Resistors In A Wide
6 2 Resistors In Series And Parallel Introduction To


Resistor Wikipedia

Infinite Grid Of Resistors

Resistors Learn Sparkfun Com

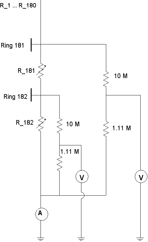
Resistor Box At The End Of The Field Cage Chain The Star

Electron Motion In Conductors Resistors The Real Story

8 3 Electrical

314 Quiz 3 Study Guide The Important Topics That Will

Current And Resistance Ppt Video Online Download

Gauss Law Physics Exam Docsity

How Energy Is Really Transferred In Electric Circuits

Resistors Learn Sparkfun Com
6 2 Resistors In Series And Parallel Introduction To
Comments
Post a Comment